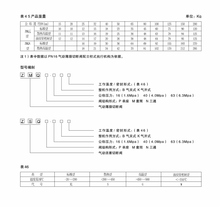
ZMO/ZSO型气动薄膜/活塞切断阀

image.png

image.png

image.png

image.png

推荐

  • QQ空间

  • 新浪微博

  • 人人网

  • 豆瓣

取消
  • 首页
  • 电话