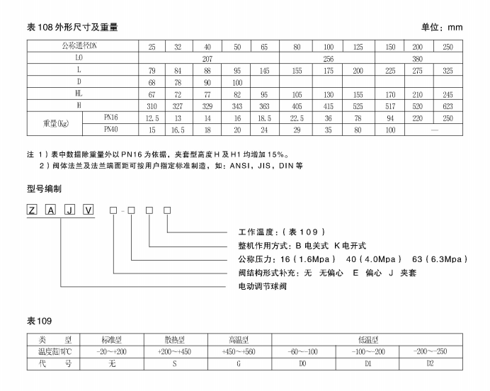
ZAJV型电动调节球阀
0
推荐
QQ好友
QQ空间
新浪微博
人人网
豆瓣
上一篇
下一篇
取消
首页
电话
业务范围
留言
位置
会员
信息
QQ
购物
语音
业务范围
×
账号登陆
找回密码
登录
没有账号请注册
X